香り・質感・温もり 無垢材で空間を演出する

香り・質感・温もり
無垢材で空間を演出する

国産桧・杉を使った
オーダーメイドの特殊加工
承ります!

設計者様やデザイナー様のアイデアを、国産ひのきや杉の無垢材で形にします。
什器・装飾・ディスプレイなど、商業施設に求められる多様な木工加工に対応。
図面やイメージからの特注製作もお任せください。

製作事例

中部国際空港セントレア
コーラルラウンジ様

中部国際空港セントレア コーラルラウンジ様 製作事例

イメージ図から製作

設 計

完成イメージ図
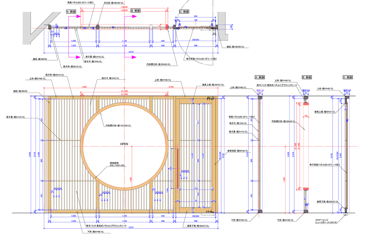
設計図面

お客様より完成イメージと図面をいただき、部材選定、強度、納まり、可動部、
搬入や組み立てに問題ないかなど様々な点を考慮し設計します。

製 作

製作工程1
製作工程2
製作工程3
製作工程4

設計を元に部材を見ながら最適な形で組み立てをします。

納 品

納品後の様子1
納品後の様子2

搬入組み立てして納品となります。

東濃信用金庫 白川支店様

地元で育まれた東濃ひのきの風合いを活かし、
スケールの大きな欄間を製作させていただきました。
東濃信用金庫の“ T ”をモチーフに作っています。
訪れる人にやさしく柔らかい印象を与える空間を実現しました。

東濃信用金庫 白川口支店様 外観
欄間製作の様子1
欄間製作の様子2
完成した欄間

安心なJAS認定工場

  • 桧 鴨居 加工済み
  • 桧 鴨居 加工済み
  • 桧 鴨居 加工済み
  • 梱包出荷

品質も安心なJAS(日本農林企画)認定工場です。

JAS人工乾燥造作用製材工場として、JAS規格に適合した製品を生産しています。

加工設備

高精度な加工を支える設備で、安定した品質と短納期を実現します。

  • NCルーター(平安 EG-231PBMC)
    NCルーター(平安 EG-231PBMC)
  • 7軸モルダー(IIDA WOODSMAN M-181)
    7軸モルダー(IIDA WOODSMAN M-181)
  • カットソー(アーデンドルフ F-45)
    カットソー(アーデンドルフ F-45)
  • 四面プレナー(IIDA GDF-541)
    四面プレナー(IIDA GDF-541)
  • ワイドサンダー(AMITEC WSE-130)
    ワイドサンダー(AMITEC WSE-130)
  • 超仕上げ(丸仲 ULTRA SUPER-IV)
    超仕上げ(丸仲 ULTRA SUPER-IV)

発注〜納品の流れ

  1. STEP 1
    図面のご提供・仕様決定

    図面のご提供
    仕様決定

  2. STEP 2
    お見積もり

    お見積もり

  3. STEP 3
    ご注文・入金

    ご注文
    入金

  4. STEP 4
    製作

    製作

  5. STEP 5
    現場へ直送

    現場へ直送

まずは図面相談・無料見積りを
お問い合わせ・見積依頼は

    会社名

    お名前(※必須)

    メールアドレス(※必須)

    ご連絡先電話番号(※必須)

    ご住所(※必須)

    お問い合わせページ名

    お問い合わせ内容


    送信ボタンを押して頂いた方は、
    株式会社トーホー個人情報保護方針
    に同意をしていただいたものといたします。

    TEL 0574-77-2111

    FAX 0574-77-2116

    Mail admin@tohowood.co.jp